A Simulationist's Framework
for Business Analysis

Part 05:

Simulation


R.P. Churchill

CBAP, IIBA-CBDA, PMP, CSPO, CSM
Lean Six Sigma Black Belt

www.rpchurchill.com/presentations/BAseries/05_Simulation www.rpchurchill.com | Portfolio | Presentations
30 Years of Simulation

Industries

  • Paper (Chemical/Process)
  • Nuclear (Power Generation)
  • Metals (Steel, Non-Ferrous)
  • HVAC (Building Control)
  • Insurance, Banking, Legal
  • Security, Inspections
  • Passenger Processing
  • Medical Facilities
  • Evacuations
  • Area Control
  • Threat Response
  • Logistics, Supply
  • Maintenance and Reliability
  • Staff Level Determination
  • Fleet Management

           







What examples of simulations can you think of?

Why do we build and run simulations?
  • To explore options that would be too dangerous, expensive, or inconvenient to do in reality.
  • To calculate values that cannot reasonably be measured directly.
  • To investigate phenomena when it isn't possible to do experiments.
  • To explore many options in a short time.
  • To understand the range of possible outcomes of combinations of varying events.
3 Major Classes of Simulation
  • Analog: Executed without digital computers
    • Mechanical: employs mechanical linkages and calculations
    • Electrical: instantiated in electrical circuits
    • Hybrid: combination of the above
  • Continuous: Based on differential equations
  • Discrete-Event: Processes events at arbitrary intervals in time order
  • Hybrid: Combinations of the above
Analog Simulation: Mechanical

Link Pilot Training Simulator
Analog Simulation: "Mechanical"

San Francisco Bay Hydraulic/Evaporation Model
Analog Simulation: Electrical
System Type Through Variable Across Variable Energy Storage 1 Energy Storage 2 Energy Dissipation
Electrical Current (I) Voltage (V) Capacitor (C) Inductor (L) Resistor (R)
Mechanical (Linear) Force (F) Velocity (u) Spring (K) Mass (M) Damper (B)
Mechanical (Rotational) Torque (T) Angular Velocity (w) Torsion Spring (K) Moment of Inertia (I) Rotary Damper
Hydraulic Volume Flow Pressure (P) Tank Mass Valve
Thermal Heat Flux Temperature (T) Energy (Enthalpy) N/A Entropy, Conductance, Radiation
Analog Simulation: Electrical (continued)

Analog Simulation: Hybrid
30 Years of Simulation

Applications

  • Design and Sizing
  • Security, Event Planning
  • Operations Research
  • Real-Time Control
  • Operator Training
  • Risk Analysis
  • Economic Analysis
  • Impact Analysis
  • Process Improvement (BPR)

Architectural Considerations

  • Continuous vs. Discrete-Event
  • Interactive vs. Fire-and-Forget
  • Real-Time vs. Non-Real-Time
  • Single-Platform vs. Distributed
  • Deterministic vs. Stochastic
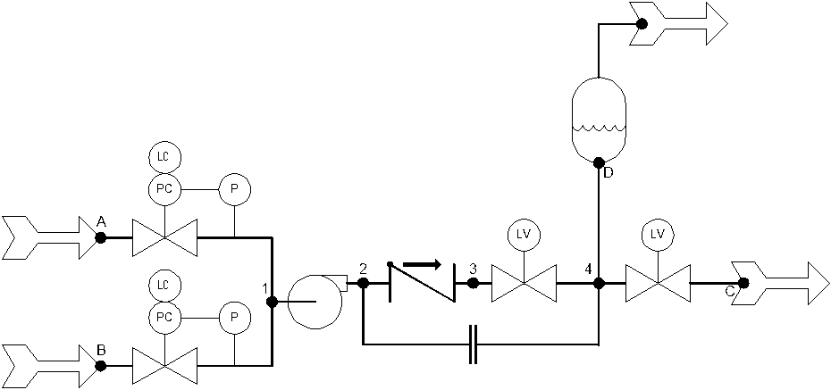
Architecture: Continuous vs. Discrete-Event

Continuous simulation of the heating of a square billet and Discrete-Event simulation of a multi-phase process.
Continuous Simulation

Blog Post Series (read bottom to top)

Series First Post

Continuous Simulation (continued)
Continuous Simulation (continued)
Continuous Simulation


Continuous Simulation (continued)
Continuous Simulation (continued)
Offgas System in BWR Nuclear Power Plant, Richland, WA
Discrete-Event Simulation
Blog Post
Discrete-Event Simulation (continued)

Simple pass-through simulation using basic component types.

Independent link

Project link

Architecture: Interactive vs. Fire-and-Forget
Architecture: Interactive vs. Fire-and-Forget

Animation
Architecture: Real-time vs. Non-Real-Time
Architecture: Single-Platform vs. Distributed

Distributed simulation protocols: HLA vs. DIS, MMORPGs

Architecture: Deterministic vs. Stochastic

Deterministic

  • Generates the same output every iteration, given the same inputs.
  • Produces single-point results.
  • Examples: Newtonian models of physical systems, systems without random elements, climate models, model-predictive control systems (usually)

Stochastic

  • Can generate different outputs every iteration, given the same inputs (though groups of iterations should be repeatable with constant random number seeds).
  • Produces a range of results.
  • Examples: Quantum mechanical models of physical systems, systems with random elements, epidemiological models, maintenance models, project/risk models
Architecture: Deterministic vs. Stochastic (continued)

Monte Carlo Analysis   "It was smooth sailing!" vs. "I hit every stinkin' red light today!" (Wikipedia link, incl. history)

Involves running multiple trials of complex models including combinations of numerous randomly generated outcomes that yield a range of complex results.

Models may incorporate scheduled and unscheduled elements.

  • Randomly generated outcomes may include:
    • event durations
    • process outcomes
    • routing choice
    • event occurrence (e.g., failure, arrival; Poisson function)
    • arrival characteristic (anything that affects outcomes)
    • resource availability
    • environmental conditions
  • Random values may be obtained by applying methods singly and in combination, which can result in symmetrical or asymmetrical results:
    • single- and multi-dice combinations
    • range-defined buckets
    • piecewise linear curve fits
    • statistical and empirical functions
    • rule-based conditioning of results
Examples of Data Driving Random Outcomes

Source Spreadsheet

Model-Predictive Control
Model-Predictive Control (continued)
Other Contexts for Simulation

Process Automation is an example of simulating activities that used to be done by humans.

A typical business process may be thought of as a human-in-the-loop simulation, parts of which may be automated.

If the interaction of a human with a computer's user interface is automated, that is a form of Robotic Process Automation, and that has been done for decades. (I implemented Filenet terminal interfaces to legacy mainframes in 1994.)

Screen-scraping and text/gesture inputs.

UIPath and Selenium are more current examples.

Resources Required for Simulation
  • Computing power
  • Memory (dynamic and static)
  • Obtainable input data
  • Valid behavioral data
  • Choosing the right level of granularity
  • Outputs in actionable form
The Limits of Simulation

What changes could require more computing resources (processing and memory)?

  • more/smaller nodes
  • more/smaller time steps (Courant Limit)
  • more interactions
  • larger matrix calculations
  • more physical effects considered
  • more components included (e.g., atmospheric gases)
The Limits of Simulation (continued)

If you were going to simulate an atom, what would you have to include?

What would it take to do it?

The Limits of Simulation (continued)

What if you tried to simulate the entire Universe?

The Limits of Simulation (continued)

Planck Length - Accelerando

Nerdy Star Trek reference here.

The Universe can only be an analog simulation of itself — from our point of view. (Other people may know better, but that's my take on it!)

Accuracy of Simulation

Do reasonable data exist? Is it obtainable?

Are the effects included greater than the margin of error?

Can including a new effect change the entire outcome?

Does being able to match known cases ensure accuracy for all unknown cases?

We'll talk about "tuning" models and doing VV&A in a couple sessions. In the meantime remember that...

"All simulations are wrong. Some are useful."
Newsworthy Examples of Not Adhering to Reality
  • Virology Models: not tuned, assumed solution, inaccurate data inputs, didn't scale across multiple processors, point answers instead of range answers, limited range of solutions tried
  • Global Climate Models: accuracy of method is inherently limited (especially over long time scales), too many effects not included (solar input, cosmic conditions, volcanoes, blowing sand, industrial particulates, rare events), too many effects modeled incorrectly (saturation limits runaway feedback, incomplete cloud models, whole lists of atmospheric effects and chemical reactions, local interactions between ground/water/air, changes in vegetation and ground cover), ridiculous and biased data inputs (ocean temperatures), incomplete understanding of past and inability to replicate past, chaos / sensitive dependence on initial conditions, total heat balance vs. local effects, overly "convenient" choices of sampling and reporting periods
  • Club of Rome / World Economic Models: no accounting for substitution effects, no understanding of Austrian economics and (and the unpredictability of) human action

Common issues: no funding for "wrong" findings, not considering all aspects of problem, not considering economic effects or liberty effects, lack of humility, belief in experts and the state, confusing the appearance of science with the way science actually works (scientism), reliance on consensus rather than correctness, "big man" problem, ineffective peer review, capture of journals and scientific research institutional apparatus, political power trips, protecting rice bowls

This presentation and other information can be found at my website:

rpchurchill.com

E-mail: bob@rpchurchill.com

LinkedIn: linkedin.com/in/robertpchurchill